![]() ![]() | ![]() | ||
Wenn Sie einen Job nicht ausführen können, wird das Gerät möglicherweise von einer anderen Funktion verwendet.
Warten Sie, bis der aktuelle Job ausgeführt wurde, bevor Sie einen erneuten Versuch unternehmen. In bestimmten Fällen können Sie mithilfe einer anderen Funktion einen anderen Job ausführen, während der aktuelle Job ausgeführt wird. Die gleichzeitige Ausführung mehrerer Funktionen auf diese Weise wird als "Mehrfachzugriff" bezeichnet.
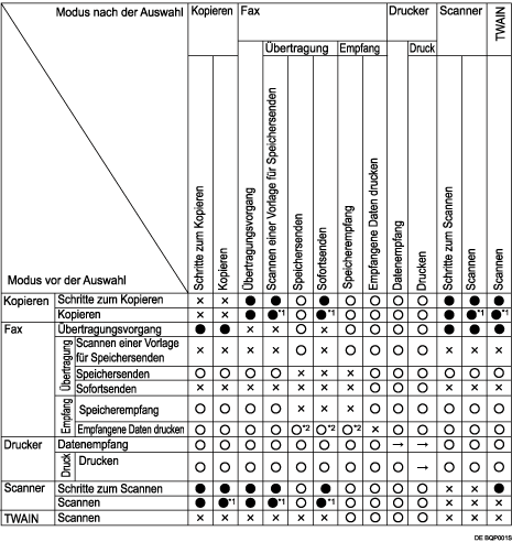
Kombinationstabelle
Kompatibilität der Funktionen
Die Tabelle zeigt die Funktionskompatibilität an, wenn [Priorität Drucken] auf [Mehrfachzugriff] eingestellt ist. Einzelheiten zur Druckpriorität finden Sie im Handbuch Netzwerk- und Systemeinstellungen.
: Gleichzeitige Vorgänge sind möglich.
: Der Vorgang wird aktiviert, wenn die betreffende Funktionstaste gedrückt wird und die Fernumschaltung (des Scanners) erfolgt ist.
: Der Vorgang wird automatisch ausgeführt, sobald der vorherige Vorgang beendet ist.
: Der Vorgang muss gestartet werden, sobald der vorherige Vorgang beendet ist. (Gleichzeitige Vorgänge sind nicht möglich.)

*1 Sie können ein Dokument einscannen, nachdem alle vorherigen Jobdokumente eingescannt wurden.
*2 Während des parallelen Empfangsvorgangs werden nachfolgende Jobs ausgesetzt, bis der Empfangsvorgang abgeschlossen ist.
![]()
Wenn das Gerät mehrere Funktionen gleichzeitig ausführen kann, müssen Sie in "Priorität Drucken" festlegen, welche Funktion Priorität hat. Die Werkseinstellung hier lautet "[Modus anzeigen]". Einzelheiten zur Druckpriorität finden Sie im Handbuch Netzwerk- und Systemeinstellungen.
Während des Druckvorgangs kann das Einscannen eines Dokuments über eine andere Funktion mehr Zeit in Anspruch nehmen.